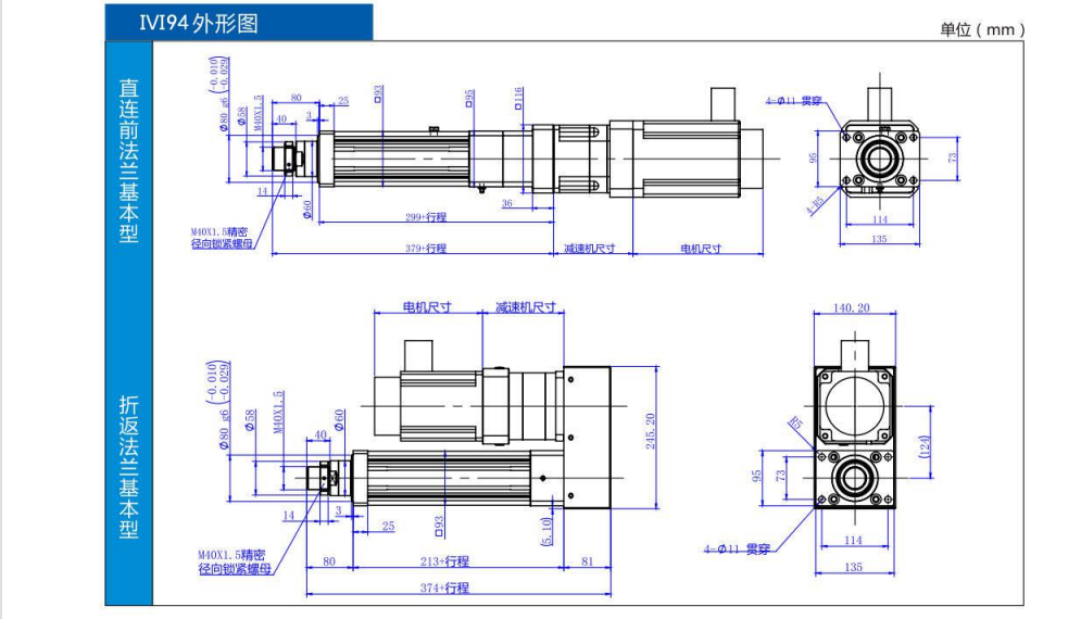
直線式電動缸
本系列電動缸集成了交流伺服電機、伺服驅動器、高精度滾珠絲桿、模塊化設計等技術,整個電動缸具有結構緊湊、慣量小、響應快、 低噪音和長壽命等特點。伺服電機與電動缸的傳動絲桿直接相連接,使伺服電機的編碼器直接反饋電缸移動活塞的位移量,減少了中間環節的慣量和間隙,提高了控制性和控制精度。伺服電機與電動缸整體相連,安裝容易、設定簡單、使用方便。電動缸的主要零部件均采用國外名牌產品,性能穩定、故障率低、可靠性高。
折返式電動缸
折返式電動缸由于整體長度短,適用于安裝位置比較小的場合。同時本方案選用的同步帶,具有強度高、間隙小、壽命長的特點,使整個電動缸具有較高的控制性和控制精度。伺服電機與電動缸配合靈活,安裝容易、設定簡單、使用方便。
電動缸相較其他傳動件的優勢
1.自鎖性能--普通齒絲杠電動推桿,由于蝸輪蝸桿結構,大部分有絕對動載自鎖功能,增加設備運行安全性;滾珠絲杠電動推桿和伺服電動缸不能絕對自鎖,但可以在電機加制動器自鎖;
2.精度定位--伺服 電動缸綜合位置精度可至0.01mm;
3.精確控制--配置編碼器, 壓力傳感器,位移傳感器,實現閉環精確定位;驅動系統--直流電機12/24V,單項交流電機,三相交流電機,伺服電機等,無需氣源/液壓源,維護更簡單方便,能耗低;
5. 過載保護--可配備安全離合器防過載;也可配備過載壓力傳感器防過載;
6.維護簡單--噪音低, 可在高/低溫,防腐/防爆惡劣環境正常工作。
7.電動直線傳動設備重要特點: 自鎖性能,精度定位,速度控制,推力控制,維護簡單。
























