功能特性說明
具防水等級,適用于濕式環境
高剛性、高扭矩,合金鋼外殼及大模數齒根設計,最適用于大慣量負載的旋轉需求
高精度,齒輪達JIS 0級要求(齒輪幾何公差≤0.002MM)超低背隙
高傳導效率,齒輪以螺旋導程設計,以滑動方式轉動,傳動效率達96%
超低噪音,1500rpm運轉噪音值小于50dB
壽命長,適用高硬度、高密度齒輪材料,精度壽命佳







深圳市鑫科隆工業自動化有限公司是一家集研發、制造、銷售服務于一體的高新科技企業。是由一群擁有工作熱忱及自動化經驗豐富的專業人士組成的工作團隊。自成立以來,一直致力于精準定位滑臺、中空旋轉平臺、控制器(PLC一體機)以及電子伺服等自動化傳動元件的自主研發和應用。
查看詳細深圳市鑫科隆工業自動化有限公司是一家集研發、制造、銷售服務于一體的高新科技企業。是由一群擁有工作熱忱及自動化經驗豐富的專業人士組成的工作團隊。自成立以來,一直致力于精準定位滑臺、中空旋轉平臺、控制器(PLC一體機)以及電子伺服等自動化傳動元件的自主研發和應用。
查看詳細功能特性說明
具防水等級,適用于濕式環境
高剛性、高扭矩,合金鋼外殼及大模數齒根設計,最適用于大慣量負載的旋轉需求
高精度,齒輪達JIS 0級要求(齒輪幾何公差≤0.002MM)超低背隙
高傳導效率,齒輪以螺旋導程設計,以滑動方式轉動,傳動效率達96%
超低噪音,1500rpm運轉噪音值小于50dB
壽命長,適用高硬度、高密度齒輪材料,精度壽命佳







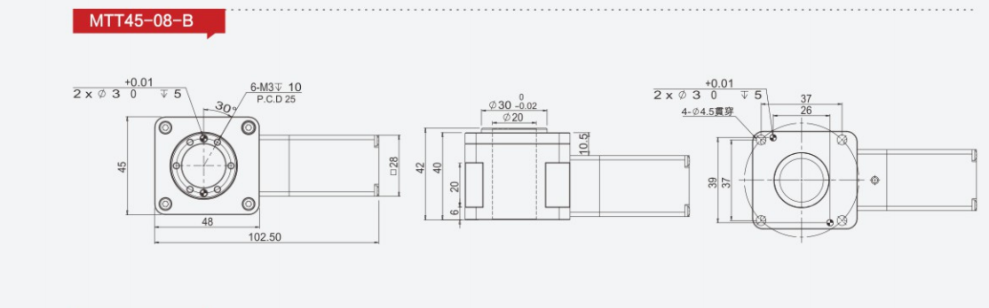
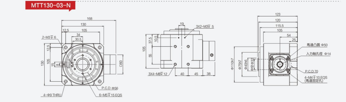
產品 : MTT中空旋轉平臺
Tags :